聯系方式 |
| 電話(市場部):0517-86851868 |
| 0517-86882048 |
| 0517-86881908 |
| (拓展部):0517-86882683 |
| 傳真:0517-86851869 |
節假日商務聯系電話:
何經理:13655238295
紀經理:18015196880 |
| 郵編:211600 |
| 網址:http://www.fumingroup.com/ |
| http://www.sukeyb.com/ |
| E-mail:china-suke@163.com |
| sukeyb@163.com |
地址:江蘇省金湖縣工業園區環城西
路269號 |
|
|
 |
您現在的位置 > 首頁 > 產品中心 |
SKGW56雙纜導波雷達物位計
|
輸入
SKGW56雙纜導波雷達物位計反射的脈沖信號沿纜繩傳導至儀表電子線路部分,微處理器對此信號進行處理,識別出微波脈沖在物料表面所產生的回波。正確的回波信號識別由智能軟件完成,距離物料表面的距離D與脈沖的時間行程T成正比:D=C×T/2其中C為光速
因空罐的距離E已知,則物位L為:L=E-D
輸出
通過輸入空罐高度E(=零點),滿罐高度F(=滿量程)及一些應用參數來設定,應用參數將自動使儀表適應測量環境。對應于4~20mA輸出。
測量范圍:
F-----測量范圍
E-----空罐距離
B-----頂部盲區
K-----探頭到罐壁的距離
頂部盲區是指物料高料面與測量參考點之間的小距離。
底部盲區是指纜繩底部附近無法精確測量的一段距離。
頂部盲區和底部盲區之間是有效測量距離。
注意
只有物料處于頂部盲區和底部盲區之間時,才能保證罐內物位的可靠測量。
SKGW56雙纜導波雷達物位計參數
應 用:小介電常數液體、固體、粉末
測量范圍:纜 30m
過程連接:螺紋、法蘭
介質溫度:-40~150℃
過程壓力:-0.1~4.0Mpa
精 度:±10mm
防爆等級:Exb IIBT4 Gb
防護等級:IP67
信號輸出:4~20mA/HART(兩線/四線)
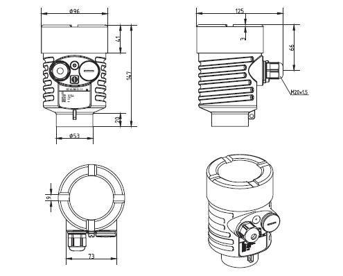
SKGW56雙纜導波雷達物位計外型尺寸圖

SKGW56雙纜導波雷達物位計安裝圖示

SKGW56雙纜導波雷達物位計選型
| 單元 |
參數 |
防爆 |
P標準型(非防爆)
I隔爆型(Exb II BT4 Gb) |
過程連接/材料 |
D 法蘭DN80 PN16C 不銹鋼
E 法蘭DN100 PN16C 不銹鋼
F 法蘭DN150 PN16C 不銹鋼
H 法蘭DN200 PN16C 不銹鋼
K 法蘭DN250 PN16C 不銹鋼
Y特殊定制 |
密封/過程溫度 |
P 普通密封/-40…150℃
G 高溫密封/-40~400℃帶散熱器 |
電子單元 |
3 (4~20)mA/(24)VDC/HART兩線制
4 (4~20)mA/(-24)VDC /HART四線制
5 (4~20)mA/(-220)VAC /HART四線制 |
外殼/防護等級 |
L 鋁/IP67
G 不銹鋼304/IP67 |
電纜進線 |
M M20*1.5
N 1/2NPT |
特殊約定 |
Y 特殊定制 |
SKGW56雙纜導波雷達物位計外殼尺寸

SKGW56雙纜導波雷達物位計接線圖


|
|