測量原理
SKD800系列雷達物位計是將發射能量很低的極短的微波脈沖通過天線系統發射并接收。雷達波以光速運行。運行時間可以通過電子部件被轉換成物位信號。一種時間延伸方法可以確保短時間內穩定和正確的測量。SKD800系列雷達物位計即使在工況比較復雜,存在虛假回波的情況下,其用微處理和調試軟件也可以分析出物位的回波。
 |
輸入
天線接收反射的微波脈沖并將其傳輸給電子線路,微處理器對此信號進行處理,識別出微脈沖在物料表面所產生的回波。正確的回波信號識別由智能軟件完成,精度可達到毫米級。距離物料表面的距離D與脈沖的時間行程T成正比:
D=C×T/2
其中C為光速
因空罐的距離E已知,則物位L為:
L=E-D
輸出
通過輸入空罐高度E(=零點),滿罐高度F(=滿量程)及一些應用參數來設定,應用參數將自動使儀表適應測量環境。對應于4-20mA輸出。 |
應用介質:
SKD800系列雷達物位計適用于對液體、漿料及顆粒料的物位進行非接觸式連續測量,適用于溫度、壓力變化大;有惰性氣體及揮發存在的場合。
采用微波脈沖的測量方法,并可在工業頻率波段范圍內正常工作。波束能量較低,可安裝于各種金屬、非金屬容器或管道內,對人體及環境均無傷害。 產品簡介:
SKD800系列智能雷達物位儀表 |

|

|

|
類 別 |
SKD801 |
SKD802 |
SKD803 |
應 用 |
過程條件簡單,腐蝕性的液體、漿料、固體
比如:
水液儲罐
酸堿儲罐
漿料儲罐
固體顆粒
小型儲油罐 |
存儲或過程容器腐蝕性的液體、漿料、固體
比如:
水液儲罐
酸堿儲罐
漿料儲罐
固體顆粒
小型儲油罐 |
適應各種存儲容器或過程計量環境,液體、漿料、固體
比如: 原油、輕油儲罐
原煤、粉煤倉位
揮發性液體儲罐
焦碳料位
漿料儲罐
固體顆粒 |
測 量 范 圍 |
20米 |
20米 |
35米 |
過 程 連 接 |
螺紋 |
法蘭 |
法蘭 |
過 程 溫 度 |
-40-130℃ |
-40-150℃ |
-40-250℃ |
過 程 壓 力 |
-1.0-3bar |
-1.0-20bar |
-1.0-40bar |
重 復 性 |
± 3mm |
± 3mm |
± 3mm |
精 度 |
< 0.1% |
< 0.1% |
< 0.1% |
頻 率 范 圍 |
6.8GHz |
6.8GHz |
6.8GHz |
防爆/防護等級 |
EXiaIICT6/IP68 |
EXiaIICT6/IP68 |
EXiaIICT6/IP68 |
信 號 輸 出 |
4…20mA/HART(兩線) |
4…20mA/HART兩線) |
4…20mA/HART(兩線) |
安裝指南
安裝說明
- 推薦距離(1)墻至安裝短管的外壁:
- 離罐壁為罐直徑1/6處,最小距離為200mm。
- 不能安裝在入料口的上方(4)。
- 不能安裝在中心位置(3),如果安裝在中央,會產生多重虛假回波,干擾回波會導致信號丟失。
- 如果不能保持儀表與罐壁的距離,罐壁上的介質會黏附造成虛假回波,在調試儀表的時候應該進行虛假回波存儲。
|

|
罐內安裝
- 在信號波束內,應避免有如下安裝物(1):例如限位開關,溫度傳感器等。
- 對稱裝置(2),如真空環,加熱線圈,擋板等等。
- 如果罐內有(1)(2)干涉物件,應采用導波管進行測量。
安裝選擇
- 天線尺寸:天線越大,波束角越小,干擾回波將越弱。
- 天線調整:將天線調整到測量位置。
- 導波管:導波管用來避免干擾回波。
|

|
罐內安裝(SKD801、SKD802)
標準安裝
- 雷達天線不可向罐壁傾斜。
- 為了使溫度影響最小化,在對接法蘭的連接處必須使用彈簧墊圈。
- 桿式天線必須伸出安裝短管。
- 垂直放置桿式天線,不要讓雷達束指向罐壁。
|

|
罐內安裝(SKD803)
標準安裝
- 雷達天線不可向罐壁傾斜。
- 喇叭天線必須延伸出安裝短管,否則應使用天線延伸管。
- 喇叭天線必須調整至垂直,不要讓雷達束指向罐壁。
|

|
安裝短管較長時使用天線延伸管
- 當喇叭長度小于安裝短管長度時,應使用天線延伸管。
- 如果喇叭直徑大于安裝短管的直徑,包括延伸管在內的天線需要從容器里面安裝,并將儀表抬高。選擇延伸管使儀表至少抬高100mm。
|

|
導波管內安裝
- 雷達傳感器通過導波管或旁通管進行測量,測量管起到導波作用。下面是一個測量管(導波管的構造圖)
- 測量管內壁必須平滑,如果可能的話測量管的內徑需要與喇叭口的直徑相符,請使用縱伸焊接的不銹鋼管?梢酝ㄟ^預先焊接的法蘭盤或焊接頭延長測量管。
必須注意:
- 焊接時,不能產生凸點或凸緣。將法蘭和測量管對齊固定,然后焊接。焊接不要穿透測量管管壁,管內壁必須保持平滑,一定要小心的除去焊縫和不平滑的地方,否則會造成很強的虛假回波。
|

|
測量條件
注意事項
- 測量范圍從波束觸及罐低的那一點開始計算,但在特殊情況下,若罐低為凹型或錐形,當物位低于此點時無法進行測量。
- 若介質為低介電常數當其處于低液位時,罐低可見,此時為保證測量精度,建議將零點定在低高度為C 的位置。
- 理論上測量達到天線尖端的位置是可能的,但是考慮到腐蝕及粘附的影響,測量范圍的終值應距離天線的尖端至少100mm。
- 對于過溢保護,可定義一段安全距離附加在盲區上。
- 最小測量范圍與天線有關。
- 隨濃度不同,泡沫既可以吸收微波,又可以將其反射,但在一定的條件下是可以進行測量的。

測量范圍超出的動作
當測量范圍超出時,儀表輸出為22mA電流。
接線方式

調試
SKD800可以通過三種方式調試:
- 通過顯示調整模塊SKPM
- 通過調試軟件SKSOFT
- 通過HART手持編程器
現場編程模塊(SKPM)
- SKPM編程器由6個按鍵和一個液晶顯示屏,可以顯示調整菜單和參數設置。其功能相當于一個分析處理儀表。
|

SKPM
|
通過SKSOFT軟件調試
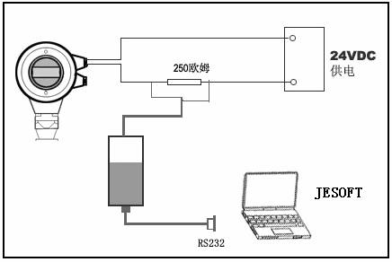
無論那種信號輸出,4…20mA/HART,雷達傳感器都可以通過軟件進行調試。采用BTSOFT軟件進行儀表調試,需要一個儀表CONNECTCAT驅動器。

使用軟件調試的時候,給雷達儀表加電24VDC,同時在連接HART適配器前端加一個250歐姆的電阻。如果一體式HART電阻(內部電阻250歐姆)的供電儀表,就不需要附加外部電阻,HART適配器可以和4…20mA線并聯。
SKD800系列尺寸
 
編程器尺寸

技術數據:
基本參數
工作頻率:6.8GHz
波 束 角: 24°SKD801, SKD802
18°SKD803 帶DN150法蘭
14°SKD803 帶DN200法蘭
12°SKD803 帶DN250法蘭
測量范圍:0…35m
重復性 :±3mm
分辨率 :1mm
采樣 :回波采樣55次/s
響應速度:>0.2s(根據具體使用情況而定)
電流信號:4…20mA
精度 :<0.1%
天線材質 SKD801、SKD802為PP/PTFE
SKD803 為316L不銹鋼
通訊接口 HART通訊協議
過程連接 SKD801 (PP,PTFE天線) :G1-1/2 316L不銹鋼,:
SKD802(棒式天線) :翻邊法蘭DN50,DN80,DN100,DN150
SKD803(喇叭口形式天線):法蘭DN50,DN80,DN100,DN150,DN200,DN250
電源 電源:24V DC(+/-10%),波紋電壓:1Vpp
耗電量:max22.5mA
環境條件 溫度:-40℃…+80℃
容器壓力(表壓)-1…40bar
防爆認證 ExiaII C T6
外殼保護等級 IP68
兩線制接線 供電和信號輸出共用一根兩芯導線
電纜入口:2個M20×1.5(電纜直徑5…9mm)

雷達物位計系列產品有:棒式防腐式雷達物位計;喇叭口式雷達物位計;衛生型平面式雷達物位計;拋物面式雷達物位計;棒式雷達物位計;水滴天線式雷達物位計
|