聯系方式 |
| 電話(市場部):0517-86851868 |
| 0517-86882048 |
| 0517-86881908 |
| (拓展部):0517-86882683 |
| 傳真:0517-86851869 |
節假日商務聯系電話:
何經理:13655238295
紀經理:18015196880 |
| 郵編:211600 |
| 網址:http://www.fumingroup.com/ |
| http://www.sukeyb.com/ |
| E-mail:china-suke@163.com |
| sukeyb@163.com |
地址:江蘇省金湖縣工業園區環城西
路269號 |
|
|
YTZ-150型電阻遠傳壓力表
|
YTZ-150型電阻遠傳壓力表與YTZ-150B型不銹鋼電阻遠傳壓力表適用于測量對銅及銅合金,或不銹鋼合金不起腐蝕作用氣體,液體的壓力。電阻遠傳壓力表通過儀表內部安裝的定位器式傳感器把被測量值傳至遠離測量點的二次儀表上,以實現集中檢測和遠距離控制,此外,電阻遠傳壓力表能夠同時就地指示壓力,便于現場工藝檢查。
電阻遠傳壓力表可與膜片隔離器(隔膜體)連接,制成隔膜式電阻遠傳壓力表,用于測量腐蝕性較強,粘度較大,易結晶介質的壓力。
電阻遠傳壓力表主要技術指標
1、基本誤差:正負1.6級。
2、測量范圍:(Mpa)
(特殊規格,請在訂貨時注明) 壓力量程:0~0.1;0~0.16;0~0.25;0~0.4;0~0.6;0~1;0~1.6;0~2.5;0~4;0~6;0~10;0~16;0~25;0~40;0~60;0~100
真空壓力量程:-0.1~0;-0.1~0.06;-0.1~0.15;-0.1~0.3;-0.1~0.5;-0.1~0.9;-0.1~1.5;-0.1~2.4
3、工作條件(1)環境溫度:-40-60℃
(2)工作壓力:靜負荷:用至測量上限值的3/4
交變負荷:用至測量上限值的2/3
短時壓力:用至測量上限值
(3)相對溫度:<85%
4、滑線電阻發送器的技術數據:
起始電阻:3-20Ω
滿度電阻:340-400Ω
接線端的外加電壓<6V
5、儀表外徑:Φ150mm
6、連接尺寸:M20X1.5
電阻遠傳壓力表產品選型

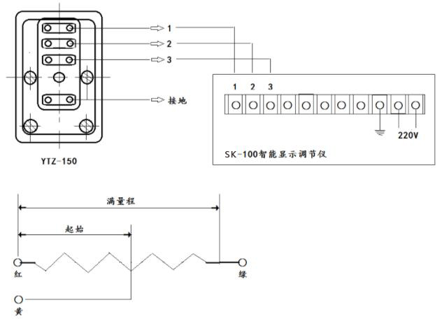
電阻遠傳壓力表接線圖:(以實物為準)

|
|